| 產品名稱:3串5A動力電池保護板 | 物料編碼:HCX-PCB-D145 | 規格型號:D145LI03S05A-06 |
| 產品類別:動力電池保護板 | 附件 :規格書 | 生產廠家:漢德星技術有限公司 |
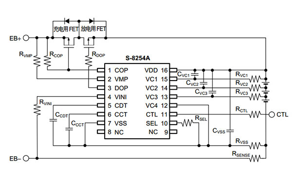
1.原理圖Schematic diagram

2.關鍵元件清單PCB Parts list
| 子件品號 | 品名 | 庫存單位 | 組成量 | 位號 |
| MOS | MOSFET/AO4407C/P管/SO-8/AO | PCS | 4.00 | Q1 Q2 Q3 Q4 |
| 合金電阻 | 貼片合金電阻/2512/2W/7毫歐/±1% 旺全 | PCS | 1.00 | R12 |
| IC | 精工/S-8254AAW/TSSOP-16 4.25V 3.0V 0.10V | PCS | 1.00 | U1 |
| 底板 | 3-4S | PCS | 1.00 | |
| 電容 | 2.2UF 0805 | PCS | 1.00 | C6 |
| 電容 | 0.1UF 0603 | PCS | 6.00 | |
| 電阻 | 1K 0603 | PCS | 7.00 | |
| 電阻 | 5.1K 0603 | PCS | 2.00 | |
| 電阻 | 51R 0603 | PCS | 1.00 | |
| 電阻 | 1M 0603 | PCS | 1.00 |
3.焊盤描述 Pad description



5. 技術參數Technical Parmeter
| 項 目 | 規 格 描 述 | 參 數 |
| 產品型號 | D145LI03S05A-06 | 3S-5A工作電流 |
| 電壓 | 充電電壓 | 12.6V |
| 電流 | 最大持續充電電流 | 5A |
| 最大持續放電電流 | 5A | |
| 靜態電流(自耗電) | ≤35μA | |
| 過充保護 | 過充檢測電壓 | 4.25V±0.025V |
| 過充檢測延時時間 | 0.5S—1.5S | |
| 過充恢復電壓 | 4.15±0.050V | |
| 過放保護 | 過放檢測電壓 | 3.0±0.080V |
| 過放檢測延時時間 | 50mS—150mS | |
| 過放恢復電壓 | 3.2±0.1V | |
| 過流保護 | 過流檢測電壓 | 0.1±0.025V |
| 過流檢測電流 | 14±3A | |
| 過流檢測延時時間 | 5ms—15ms | |
| 過流恢復條件 | 斷開負載/充電激活 | |
| 短路保護 | 短路檢測條件 | 外部短路環路阻值小于0.1歐 |
| 短路保護檢測延時時間 | 100-600us | |
| 短路保護回復條件 | 斷開負載/充電激活 | |
| 均衡 | 單節電芯均衡電壓 | / |
| 單節電芯均衡電流 | / | |
| 主板內阻 | 主板工作時導通內阻 | ≤60mΩ |
| 溫度保護 | 溫度開關 | / |
| NTC (10KNTC B=3435) | / | |
| 工作溫度 | 工作溫度 | -20~+65℃ |
| 儲存溫度 | 儲存溫度 | -20~+125℃ |
| PCBA尺寸 | 50*16*4mm | |
| 排線 | PIN 長 MM | |
| 主IC方案 | S8254AAW+AO4407C*4 |
| REMARK:(附圖片說明外觀及接線)3串B-..BM2,,BM1..B+ BM3不接 |
![]() |

