產品名稱:8串80A同口鐵鋰電池保護板
規格型號:D528A+D528B(集成方案77905)
產品描述:8串鐵鋰充放電80A同口無均衡
保護參數:
1.電壓保護Voltage protection
|
項目ITEM: |
保護值Protection thresholds: |
|
|
充電電壓 |
28.8V |
TBD |
|
過充電檢測電壓Over-charge detection voltage (per cell) |
3.90± 20mV (per cell) |
V |
|
過充電延時間Over-charge detection delay time |
1 |
S |
|
過充電恢復電壓 Over-charge release voltage (per cell) |
3.70± 50mV (per cell) |
V |
|
過放電檢測電壓Over-discharge detection voltage (per cell) |
2.0± 50mV (per cell) |
V |
|
過放電延時間Over-discharge detection delay time |
1 |
S |
|
過放恢復電壓Over-discharge release voltage (per cell) |
2.4± 100mV (per cell) |
V |
2.電流保護Current protection
|
項目ITEM: |
保護值Protection thresholds: |
|
|
硬件放電過流檢測 1 |
150A ± 15A |
|
|
過電流1延時Over-current detection delay time 1 |
650-830 |
ms |
|
過電流2檢測電壓Over-current detection2 |
300A ± 30A |
|
|
過電流2延時Over-current detection delay time 2 |
60-150 |
ms |
|
短路保護SCD detection |
>=600A |
|
|
負載短路檢測延遲時間SCD delay time |
360 |
uS |
|
電過/短路保護恢復 |
移除負載 恢復 |
|
3.溫度值Temperature thresholds
|
充電高溫溫度保護OTC |
50℃ |
10KNTC |
|
放電高溫溫度保護OTD |
70℃ |
10KNTC |
|
充電低溫溫度保護UTC |
-5 ℃ |
10KNTC |
|
放電低溫溫度保護UTD |
-20℃ |
10KNTC |
4.均衡
5.PCB尺寸圖

PCB尺寸:80×120(高度25mm)
靜態電流≦20μA
最大持續充電電流80A
最大持續放電電流80A
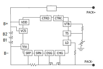
示意圖 : 方框圖

6.接口定義
|
接口 |
符號說明 |
|
PACK-(P-) |
放電時接負載負極.此接口為大電流接口,請根據負載電流選用合適規格的線材 |
|
BATT-(B-) |
接電池負極.此接口為大電流接口請根據負載電流選用合適規格的線材 |
|
3.7V(B1) |
第1節電芯正極第2節電芯負極3.7V |
|
7.4V(B2) |
第2節電芯正極第3節電芯負極7.4V |
|
11.1V(B3) |
第3節電芯正極第4節電芯負極11.1V |
|
...... |
.................. |
|
B+ |
|
|
PACK+(P+)/B+ |
充電時接電源正極,放電時接負載正極.此接口為大電流接口,請根據負載電流選用合適規格的線材 |
|
先接BATT-(B-)線 (2根10#線) 再兩接PACK-(P-)線 (2根10#線) |
7.關鍵元器件清單
|
3-24S控制板 120×80×1.6MM/FR-4 |
PCS |
1 |
PCB底板 |
|
D528A 配板同口 120×80×1.6MM/FR-4 |
PCS |
1 |
PCB底板 |
|
MOSFET/HY4004P/40V/208A/2.5mR/N管/TO-220/HY |
PCS |
20 |
|
|
BQ7790508鐵鋰/過充3.9V/過放2.0V/過流檢測50mV/100mV |
PCS |
2 |
|