產品名稱:17串100A同口帶均衡鋰離子電池保護板
規格型號:HCX-PCB-D482
物料編碼:D482LI17S100A
產品描述:17串保護板充電100A放電100A 帶均衡
保護參數:
1.電壓保護Voltage protection
|
項目ITEM: |
保護值Protection thresholds: |
|
|
充電電壓 |
71.4 |
TBD |
|
靜態自耗電流 |
≦50 |
ua |
|
最大持續充電電流 |
100 |
A |
|
最大持續放電電流 |
100 |
A |
|
過充電檢測電壓Over-charge detection voltage (per cell) |
4.25± 25mV (per cell) |
V |
|
過充電延時間Over-charge detection delay time |
1± 0.5 |
S |
|
過充電恢復電壓 Over-charge release voltage (per cell) |
4.05± 50mV (per cell) |
V |
|
過放電檢測電壓Over-discharge detection voltage (per cell) |
2.70± 50mV (per cell) |
V |
|
過放電延時間Over-discharge detection delay time |
1± 0.5 |
S |
|
過放恢復電壓Over-discharge release voltage (per cell) |
2.90± 100mV (per cell) |
V |
2.電流保護Current protection
|
項目ITEM: |
保護值Protection thresholds: |
|
|
硬件放電過流檢測 1 |
255A ±25A |
A |
|
過電流1延時Over-current detection delay time 1 |
700±200 |
ms |
|
過電流2檢測電壓Over-current detection2 |
360A ±50A |
A |
|
過電流2延時Over-current detection delay time 2 |
90±50 |
ms |
|
短路保護SCD detection |
>=720A (以客戶實際電池短路為準) |
A |
|
負載短路檢測延遲時間SCD delay time |
360 |
uS |
|
電過/短路保護恢復 |
移除負載 恢復 |
|
3.溫度值Temperature thresholds
|
項目ITEM: |
保護值Protection thresholds: |
|
充電高溫溫度保護 |
50±3℃ |
|
放電高溫溫度保護 |
70±3℃ |
|
充電低溫溫度保護 |
-5±3℃ |
|
放電低溫溫度保護 |
-20±3℃ |
4.均衡
|
均衡開啟電壓 |
4.20±0.025V |
|
均衡電流 |
84±20MAH |
5.關鍵元件清單PCB Parts list
|
底板 |
24S/150A 220×120×1.6/FR-4 2017-8-15 |
PCS |
1 |
PCB |
|
底板 |
20串均衡板 34.5×120×1.6/FR-4 2017-9-18 |
PCS |
1 |
PCB |
|
IC |
BQ7790502鋰電/過充4.25V/過放2.7V/過流檢測85mV/120mV |
PCS |
1 |
U1-U4 |
6.PCB尺寸圖

PCB尺寸:220×120(高度20mm)
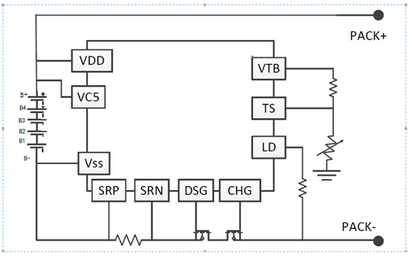
7.示意圖 : 方框圖

8.接口定義
|
接口 |
符號說明 |
|
PACK-(P-) |
充電時接電源負極,放電時接負載負極.此接口為大電流接口,請根據負載電流選用合適規格的線材 |
|
BATT-(B-) |
接電池負極.此接口為大電流接口請根據負載電流選用合適規格的線材 |
|
3.7V(B1) |
第1節電芯正極第2節電芯負極3.7V |
|
7.4V(B2) |
第2節電芯正極第3節電芯負極7.4V |
|
11.1V(B3) |
第3節電芯正極第4節電芯負極11.1V |
|
........ |
..................... |
|
B+ |
|
|
PACK+(P+)/B+ |
充電時接電源正極,放電時接負載正極.此接口為大電流接口,請根據負載電流選用合適規格的線材 |