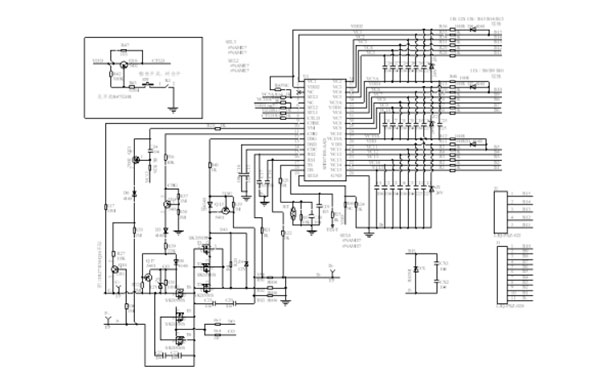
1.原理圖Schematic diagram

| 物料規格 | 用量 | 位號 |
| 69.8*52.9*1.6mm/FR-4/雙面/1.50Z/綠油白字噴錫 | 1 | |
| MOSFET/HY3008B/80V/100A/6.6mR/N管/TO-263 主選 | 6 | T1,T2, T3, T4,T5,T6 |
| MOSFET/CRSS052N08NP/85V/120A/VGS≤5.2mΩ/TO-263 備選 | 6 | T1,T2, T3, T4,T5,T6 |
| IC/SH367108X/038XY-AAA11/TSSOP-38 | 1 | U1 |
| 貼片合金電阻/2512/2W/2毫歐/±1% | 1 | RS1 |
3.焊盤描述 Pad description



5.LAYOUT圖


| 項 目 | 規 格 描 述 | 參 數 | 備 注 |
| 產品型號 | D739LI14S15A | 14S-15A工作電流 | 分口 |
| 電壓 | 充電電壓 | 58.8V | |
| 電流 | 最大持續充電電流 | 帶充電過流保護≥10A保護 | |
| 最大持續放電電流 | 15A | ||
| 靜態電流(自耗電) | ≤50μA | ||
| 過充保護 | 過充檢測電壓 | 4.25±0.025V | |
| 過充檢測延時時間 | 0.5-1.5S | ||
| 過充恢復電壓 | 4.15±0.05V | ||
| 過放保護 | 過放檢測電壓 | 2.7±0.05V | |
| 過放檢測延時時間 | 0.5-1.5S | ||
| 過放恢復電壓 | 3.0±0.1V | ||
| 過流保護 | 過流檢測電壓 | 一級0.10±0.01V | |
| 過流檢測電流 | 一級50±10A | ||
| 過流檢測延時時間 | 一級50-150ms | ||
| 過流恢復條件 | 斷開負載或者充電激活 | ||
| 短路保護 | 短路檢測條件 | 外部短路環路阻值小于0.1歐 | 以客戶項目實際電池短路為準 |
| 短路保護檢測延時時間 | 200-300us | ||
| 短路保護回復條件 | 斷開負載/充電激活 | ||
| 均衡 | 單節電芯均衡電壓 | / | |
| 單節電芯均衡電流 | / | ||
| 主板內阻 | 主板工作時導通內阻 | ≤20mΩ | |
| 溫度保護 | 放電高溫保護溫度 | 75℃±5℃ | 10KNTC B=3435 |
| 充電高溫保護溫度 | 50℃±5℃ | 10KNTC B=3435 | |
| 充電低溫保護溫度 | -10℃ | 10KNTC B=3435 | |
| 工作溫度 | 工作溫度 | -20~+85℃ | |
| 儲存溫度 | 儲存溫度 | -20~+85℃ | |
| PCBA尺寸 | 底板+元器件 | 69.8*52.9*10mm | |
| 排線 | PIN 長 MM | ||
| 主IC方案 | SH367108-AAA |
| REMARK:(附圖片說明外觀及接線)圖片僅供參考,具體以實物樣品為準 |
![]() |

