10節20A同口鋰電池保護板方案

? 保護板定制 ????|???? ?2021-04-27 17:08
產品名稱:10節20A同口鋰電池保護板
規格型號:HCX-D744 
物料編碼: D744LI10S20A-05

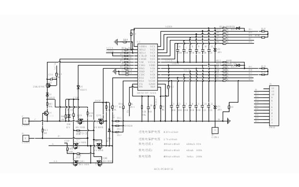
1.原理圖Schematic diagram
原理圖

2.關鍵元件清單PCB Parts list
物料規格 用量 位號
72*34*1.2MM/FR-4/2層/綠油白字噴錫/1.5Z 1  
MOSFET/SID058N08/80V/100A/RDS≤7mΩ/TO-263 6 Q37-Q42
IC/SH367107/AAA/TSSOP-28/4.25V  2.7V  0.1V 1 U2

3.焊盤描述 Pad description
焊盤描述

4.尺寸dimensions (unit: mm)
尺寸
長寬公差0.2mm,厚度1.2mm 公差±0.15mm

5.LAYOUT圖
LAYOUT圖
LAYOUT圖

6.技術參數Technical Parmeter
項 目 規 格 描 述 參 數 備 注
產品型號 D744LI10S20A-05 10S-20A工作電流 同口
電壓 充電電壓 42V CC-CV
電流 最大持續充電電流   帶充電過流保護14±5A
  最大持續放電電流 20A  
  靜態電流(自耗電) ≤50μA  
過充保護 過充檢測電壓 4.25±0.025V  
  過充檢測延時時間 0.5-1.5S  
  過充恢復電壓 4.15±0.05V  
過放保護 過放檢測電壓 2.80±0.05V  
  過放檢測延時時間 0.5-1.5S  
  過放恢復電壓 3.0±0.1V  
過流保護 過流檢測電壓 一級0.10±0.01V  
  過流檢測電流 一級70±10A  
  過流檢測延時時間 一級330ms±50ms  
  過流恢復條件 斷開負載或者充電激活  
短路保護 短路檢測條件 外部短路環路阻值小于0.1歐 以電池實際短路測試為準
  短路保護檢測延時時間 200-300us  
  短路保護回復條件 斷開負載或者充電激活  
均衡 單節電芯均衡電壓 /  
  單節電芯均衡電流 /  
主板內阻 主板工作時導通內阻 ≤20mΩ  
溫度保護 溫度開關 /  
  NTC (10KNTC B=3435)    
工作溫度 工作溫度 -20~+65℃  
儲存溫度 儲存溫度 -20~+85℃  
PCBA尺寸 底板+元器件 72*34*10mm  
排線 PIN 長  MM PH11P/長300mm  
主IC方案 SH367107AAA    

7.注意事項
1 在客戶端首次使用和裝配保護板時請檢查保護板是否有外觀不良,配件是否完整,并保留好產品標識標簽,以便于產品追朔。
2 動力電池保護板對靜電敏感,客戶在裝配時請確保先作好靜電防護。保護板受靜電損傷會有不可預期的不良理象導致保護板不能正常工作。
3測試PACK,當組裝好PACK后可作相應的充放電測試(電壓電流值需在額定范圍內,如規格書中的具體參數要求);請不要使用電池老化柜對電池組各節電壓進行測試,否則有可能損壞保護板和電芯。
4針對保護板有/沒有0V充電功能,當電池組出現0V情況時,電池性能將嚴重退化,甚至有可能損壞。為了不損壞電池,用戶在長期不使用時需定期充電以補充電量,而在使用時當放完電后需在12小時內及時充電,防止電池組因自耗電而放至0V。
5 程序寫入:對帶BMS通信的保護板時,需根據相應的芯片或程序資料進行,我司通常只對芯片寫入底層 的參數,如客戶需要完整的通信,必須提供相應的參數要求,或者自行寫入。
6 針對帶五金片(作點焊工藝)的保護板,客戶需確認設備的接地和靜電防護,否則將會導致保護板失效的可能。
7 針對我司自行開發的產品作升級或換代時可不經預告作相應的變更。客戶需向我司市場部咨詢了解或訪問我司網站。

8.禁止事項
1 保護板在接入采樣線時,通常遵循從低到高順序,即先接B-,再接B1 ,B2,B3,,,BN(B+),連接好電池組采樣線后,需依次測量電芯電壓是否依次遞增(依B-為參考),測試無異常時再對照板上標示插入保護板上的插座(順序要一致),如不一致則不能強行插入,否則會損壞保護板。
2測試完成后遵循從高壓到低壓的取線要求:先取B+,再依次取Bn-1,,排線,最后取下B-線,如不按順序拆除有可能導致保護板損壞。
3 初次接入PACK,無輸出時需充電激活。充電時要求采用配套的充電器,嚴禁使用超過額定的充電電壓和電流的充電器或直流電源/適配器,以免損壞產品,保護板在過流或短路時需斷開負載后恢復/充電恢復(具體的恢復方式由控制芯類型來決定是哪一種恢復模式)
4保護板在沒有配備反充電保護功能時,嚴禁將充電線正負極輸入反接,將會損壞保護板和電芯。
5 我司不建議客戶自行更改保護板的應用或電路,本司也不承擔因客戶自行更改后產生的所有損失;如客戶在使用過程中遇到相關問題可致電我司市場部以獲得相應的支持。