產品參數:
1.電壓保護Voltage protection 7串鋰電池保護板(02)
| 項目ITEM: | 保護值Protection thresholds: | |
| 充電電壓 | 29.4V | TBD |
| 過充電檢測電壓Over-charge detection voltage (per cell) | 4.25± 20mV (per cell) | V |
| 過充電延時間Over-charge detection delay time | 1 | S |
| 過充電恢復電壓 Over-charge release voltage (per cell) | 4.15± 50mV (per cell) | V |
| 過放電檢測電壓Over-discharge detection voltage (per cell) | 2.7± 50mV (per cell) | V |
| 過放電延時間Over-discharge detection delay time | 300-500 | ms |
| 過放恢復電壓Over-discharge release voltage (per cell) | 3.0± 100mV (per cell) | V |
2.電流保護Current protection
| 項目ITEM: | 保護值Protection thresholds: | |
| 硬件放電過流檢測 1 | 70A ± 10A | |
| 過電流1延時Over-current detection delay time 1 | 300 | ms |
| 過電流2檢測電壓Over-current detection2 | 140 ± 10A | |
| 過電流2延時Over-current detection delay time 2 | 50 | ms |
| 短路保護SCD detection | >=240A | |
| 負載短路檢測延遲時間SCD delay time | 500 | uS |
| 電過/短路保護恢復 | 移除負載 恢復 | |
| 硬件充電過流檢測 | 50A ± 5A | |
| 充電流延時ms | 300 | ms |
3.溫度值Temperature thresholds:
| 項目ITEM: | 保護值Protection thresholds: | |
| 充電高溫溫度保護 | 45 ±4℃ | |
| 放電高溫溫度保護 | 70±4℃ | |
| 充電低溫溫度保護 | 0±4℃ |
4.均衡
| 均衡開啟電壓 | / | V |
| 均衡電流 | / | MAH |
5.PCB尺寸圖


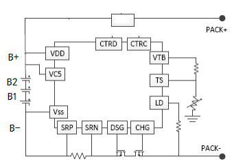
6.接口定義
| 接口 | 符號說明 | |
| PACK-(P-) | 充電時接電源負極,放電時接負載負極.此接口為大電流接口,請根據負載電流選用合適規格的線材 | |
| BATT-(B-) | 接電池負極.此接口為大電流接口請根據負載電流選用合適規格的線材 | |
| 3.7V(B1) | 第1節電芯正極第2節電芯負極3.7V | |
| 7.4V(B2) | 第2節電芯正極第3節電芯負極7.4V | |
| 11.1V(B3) | 第3節電芯正極第4節電芯負極11.1 | |
| B+ | ||
| PACK+(P+)/B+ | 充電時接電源正極,放電時接負載正極.此接口為大電流接口,請根據負載電流選用合適規格的線材 |
